Passive radiator bookshelf speakers – DIY Kit
Make a high-end stereo speaker system with a small footprint
This article will contain all the instructions on the passive radiator bookshelf speakers kit mentioned in this YouTube video. While the video shows how I did it, here you will find all the parts needed, all the dimensions and tips that I find relevant, which aren’t mentioned in the video. The main goal is to create a pair of speakers boxes which are super small yet sound awesome. They are 6 Ohm speakers and an amp which can deliver 50-75 W at 8 Ohms will be a great match for these.
Passive radiator bookshelf speakers build plans
First and foremost, let’s start with the panel dimensions. I used 10 mm thick MDF for top, bottom and sides and 18 mm thick MDF for the front (baffle) and back panel. I know that in US it’s a pain to find 18 mm (you usually have 19 mm widely available). However, that is no problem, as the front and back panel are applied to the rest of the frame of the box. Therefore, the thickness of these panels don’t disturb how to enclosure assembles together. You can even glue 2 pieces of 10 mm together.
Panel dimensions :
- Front / Back panel : 257 x 173 x 18 mm – 4 pieces (or get 8 pieces of 10 mm thickness)
- Top / Bot panel : 152 x 173 x 10 mm – 4 pieces
- Sides : 152 x 237 x 10 mm – 4 pieces
As you can see, there is no bracing going on inside. Not ideal, but the box is super small, and it should be sturdy enough.
Front and back panel
Little more attention needs to go to the front and back panel where the speakers will go.
This is where the active speakers will go. The dimensions are in mm, but I also included the dimensions in inches, as I use the Jasper circle jig, for circle cutouts. Also, the front baffle is chamfered along the edges. Now, if we take a look at the back panel.
This is where the magic of these passive radiator bookshelf speakers happens. I used a large passive radiator from SB Acoustics. You don’t have to add any mass to it. You simply install it right out of the box. The odd shape of the radiator will create some problems when making the cutout. While I do give some dimensions, make sure to make a test fit on a scrap board. I cut a template using the jigsaw, and made corrections until the passive radiator fit just right. After that, I copied that template using a router and a flush trim bit.
The passive radiator will occupy a large portion of the back panel. To fit the binding posts, I placed them on opposite ends of the panel.
Parts list
Next, let’s take a look at the parts list. These will be all the items that you will need, besides the panels and how you would like to finish the box. I used veneer, but you can finish it however you like. The list will contain links for both EU and US and they are affiliate paid links (the price is the same but I get a small commission if you make the purchase):
| Item | Pieces | EU | US |
| Morel Elite EW 536 5″ Woofer | 2 | Sound Imports | Parts Express |
| Morel Elite ET 448 1″ Dome Tweeter | 2 | Sound Imports | Parts Express |
| SB Acoustics SB15SFCR-00 5” x 8” Passive Radiator | 2 | Sound Imports | MadiSound |
| Dayton Audio BPA-38SN HD Binding Post | 2 | Sound Imports | Parts Express |
| Cabinet damping material | 1 | Sound Imports | Parts Express |
| 5.6 uF Capacitor | 2 | Sound Imports | Parts Express |
| 10 uF Capacitor | 2 | Sound Imports | Parts Express |
| 1.5 mH Inductor | 2 | Sound Imports | Parts Express |
| 0.33 mH Inductor | 2 | Sound Imports | Parts Express |
| 6.8 Ohm 20W Resistor | 2 | Sound Imports | Parts Express |
| 4.7 Ohm 20W Resistor | 2 | Sound Imports | Parts Express |
Few remarks : The damping material is quite optional. It’s not the end of the world if you don’t place some inside. However, the impedance response has less “wrinkles” with the foam inside. Also, I didn’t find a 6.8 Ohm resistor for US. However, don’t think that the 7 Ohms, which I linked, will make a difference. Consider it the same.
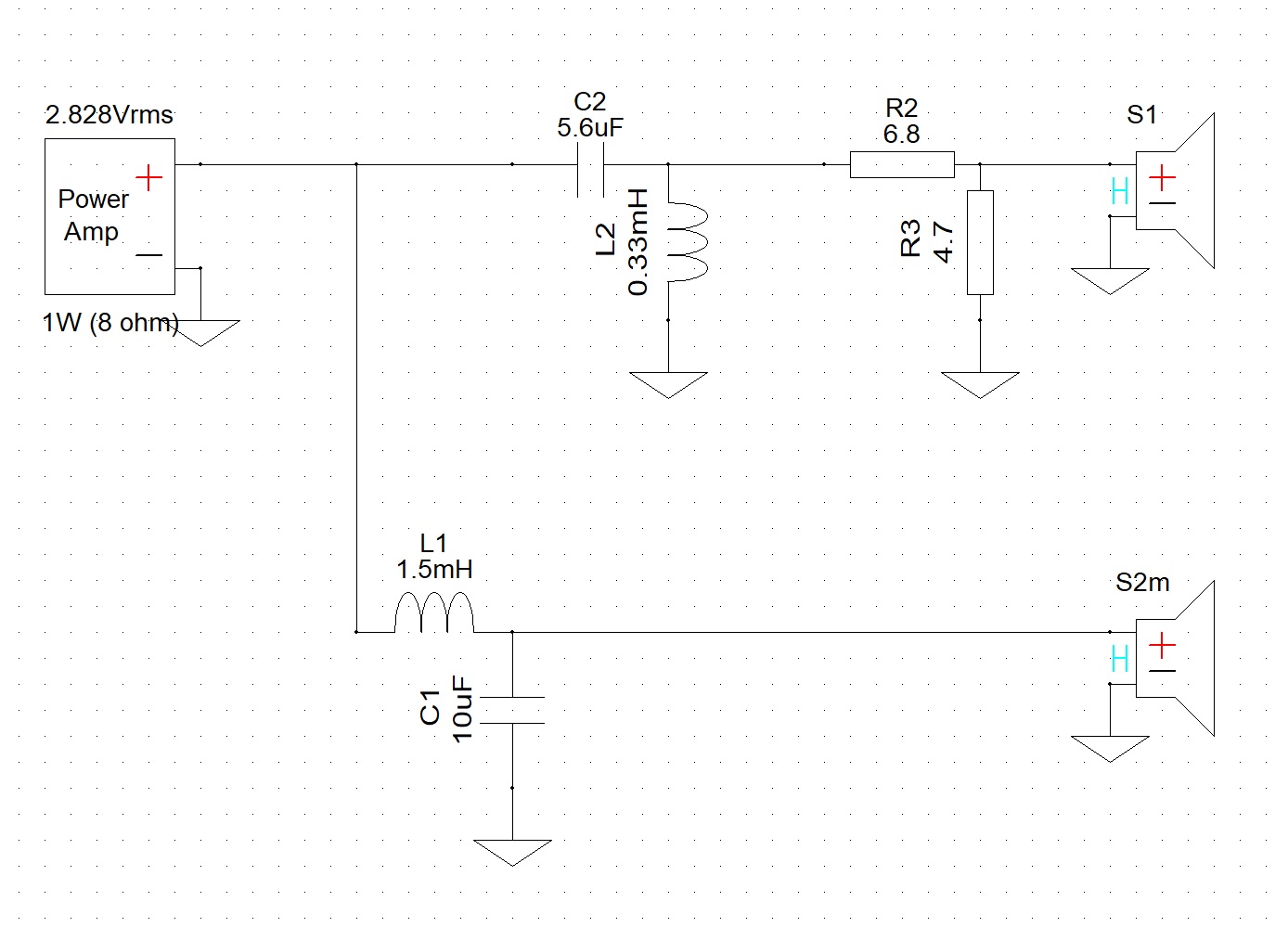
Crossover design
Crossover design is super simple.
It’s just a 2-way crossover and an attenuation L-pad on the tweeter branch. If you are having difficulties finding the components I linked, just use air core inductors and film foil capacitors. The components values are not high and the price of these components should be too much, especially compared to the price of the speakers.
How to design loudspeakers - video courses
The crossover is assembled directly on the bottom board. I think it’s easier this way. Also, since the components will always sit upright, there is no need to use zip-ties to reinforce them. Hot glue is enough to fix the components to the bottom board.
Finished box
Let’s take a look at the end result.
I used Zebrano veneer to finished these passive radiator bookshelf speakers. However, you can choose whatever you have handy or you’re good at. You can paint them, wrap them, whatever. As an extra side note, these speaker might become unstable at high volumes. This is a because the speakers have high excursion and the enclosure, being quite small, doesn’t have enough mass to dampen to excess movement. As a result, I encourage you to use studio monitor isolation pads. Those foamy bits which you will place under the speakers.
Conclusion
These passive radiator bookshelf speakers are awesome. However, they are kind of pricey. But they do offer the performance, to back the price tag. If you want a small package with big sound, these DIY speakers might be a good solution.
The frequency response is super flat and it goes down to 55-60 Hz. The bump at around 900 Hz is a the result of small baffle size and edge diffraction effect. This could of been fixed in the crossover design, but I didn’t want to add 3 more components to the crossover and cramp the interior of the box. It’s only a few decibels. As a result, I didn’t feel the need to correct it. Also, the small bump in the +15 kHz I don’t really care about. People don’t hear that high, unless they are teenagers with healthy hearing.
That’s pretty much it. If you want to build these speaker, you made a great choice. Enjoy!










11 comments
That SPL graph is super flat compared to the stats on the drivers used. Well done!
May i ask how you measured it? Did you use cross over design software to model the SPL or its that measured with a microphone?
Thanks for sharing your good work.
The response at the end is the measured response. Even if it was the modeled response, the difference is +/- 1 dB.
Hello
Is it possible to build a ventilated box and a slightly larger housing
Greetings Andrew
Hello! Sure you can
Hello again
Do you maybe have an example?
how big the box can be and the size of the bass reflex tube?
and which takeover frequency did you use?
I would be happy if I got an answer .
Andrew
As I punched in the number I realized that the box is too small to accommodate a port. You can do it, but the box needs to be redone from scratch.
If it’s still relevant, I built a similar DIY speaker with similar drivers from Morel, please take a look here and let me know what you think: https://myaudioadventures.wordpress.com/2024/12/29/new-morel-diy-speakers-small-enclosure-big-sound/
Hello
I have recreated the speaker and am absolutely convinced and happy.
Before that I had a couple of Geithain RL 930 Reference Studio loudspeakers, actually no comparison, and no one would believe them either.
I like your speakers more.
Violins play so real when the recording is right, with a great three-dimensionality.
Of course, some deep bass is missing, you can do something about it (Sub).
All in all an incredible sound.
Thank you very much
Andrew
I have a pair of Acoustic Research bookshelf speakers with voice coil rib so I’m going to replace the speakers with some out of Definitive Technology from a 5.1 system. However, the ARs are sealed and the satellite DTs have passive radiators.
So I’m going to add the PR as well as the woofer but the cabinets are about twice as large in the ARs.
I’d like to take woofers and passive radiators out of satellite speakers in a set of acoustic research cabs. The AR cab is twice as big as the satellites.
Also the satellites PR is the same size as their woofer, should I use 2 in the AR cab?
It will work if the box is larger. It is possible to have some peaky bass that sounds nasty. You can’t tell, since you don’t have the specs of the speaker / passive radiator. In that case just put some solid stuff inside the box to lower the volume of the box.